Home
About us
Product
Certificate
Feedback
Manufacturing
Contact us
Product List
Cabin Pump
Cabin Cylinder
Exhaust Brake Valve
Control Valve
Product Search
Contact us
Add£º888 luofeng west road, tangxia, Ruian, Zhejiang ,China
E-mail: sales1@zfaps.com
Tel£º86-0577-65194400
Fax: 86-0577-65194400
Mobile£º86-15258006985
86-13780128986
QQ: 542747242
Http://www.zfaps.com
>> Your Position:
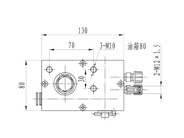
ZF-RP007
RENAULT
-
[
Back
]
Ruian Zhoufeng Automobile Parts Co.,Ltd.
888 luofeng west road, tangxia, Ruian, Zhejiang ,China
86-0577-65110007
E-mail: sales1@zfaps.com